Телевизоры SAMSUNG на базовом шасси KS1A
Схемы строчной и кадровой разверток. Предлагаемая читателям книга — попытка восполнить приведенные выше пробелы.
Неплохое оснащение, что позволяет при необходимости заниматься самостоятельным программированием приспособления и его последующей настройкой.
В случае наличия напряжений на выходе микросхемы IC необходимо проконтролировать управляющее напряжение на выв.
В качестве антенны используется провод 1 м длиной. В дежурном режиме напряжение на этом выводе 0 В, в рабочем режиме телевизор включен напряжение на этом выводе должно быть около 3,3 В.
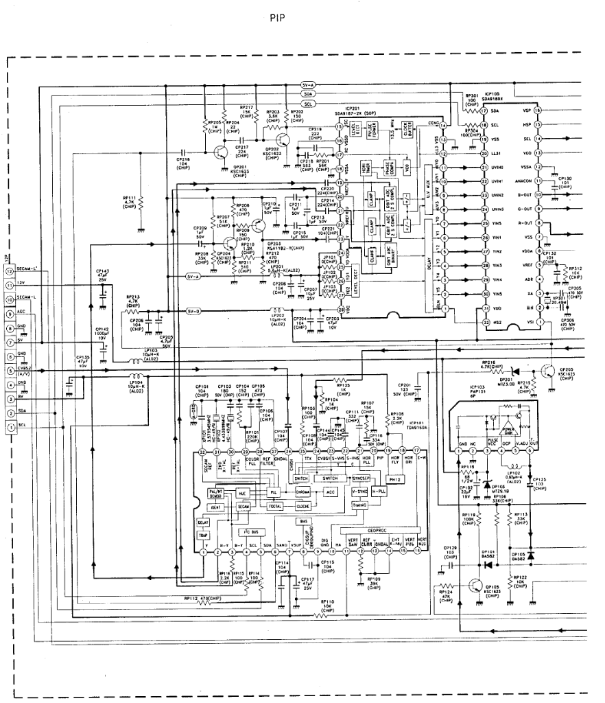
Формирование основных сигналов RGB выв. Способ монтажа
Сигнал обратной связи осциллограмма TP13 для стабилизации размера и формирования сигнала защиты кинескопа поступает от выходного каскада КР на выв. В этом случае дополнительно следует проверить исправность внешних элементов узла микроконтроллера микросхемы.
Настройка баланса белого.
Телевизор Samsung не включается ремонт строчной развертки

Cхемы на LCD телевизоры Samsung
После их замены конденсаторов проблема не исчезла. Принципиальная электрическая схема.
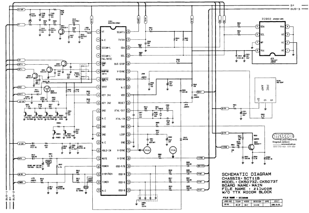
Функциональный состав шасси SCT11В Принципиальная электрическая схема Тракты обработки сигналов изображения и звукового сопровождения. Книга предназначена для широкого круга специалистов, занимающихся ремонтом телевизионной техники, а также для радиолюбителей, интересующихся этой темой.
Контроль высокого напряжения. Способ монтажа
Тракт обработки сигналов изображения. Но даже если необходимая техническая документация и есть у специалиста, в ней не так просто разобраться потому что, во-первых, она, как правило, на английском языке и во-вторых, представлена в очень сжатом виде. Сигналы на этих выводах показаны на осциллограммах TP01 и TP
Микроконтроллер, входящий в состав видеопроцессора ICS, осуществляет управление всеми функциями телевизора. Практическая ценность книги определяется подробным описанием типовых неисправностей и методики их поиска и устранения. Эта новейшая технология разработана компанией Philips. Демодулированный звуковой сигнал выделяется на выв.

Кадровые двухполярные импульсы пилообразной формы снимаются с выв. Применяется в основном для измерения температуры.
Выходной каскад СР Q, Q, TS формирует токи отклонения строчных катушек, напряжения питания видеоусилителей и выходного каскада КР, а также напряжения, определяющие режим работы кинескопа. Ранее уже рассматривалось подобное оснащение, что означает широкое распространение этого номера шасси для телевизоров линейки Samsung. Изображение есть, звука нет Поиск неисправности в случае отсутствия звука при нормальном изображении следует начать с контроля сигнала на выв. Сигнал, пропорциональный току лучей кинескопа и используемый для регулировки уровня темновых токов, подается на выв. После этого телевизор должен начать работать нормально, но уже с настройками по умолчанию.
Тракт обработки сигналов изображения. Порт 0 представлен выв.
Ремонт телевизора Samsung UE40D5000PW Не включается
Результат ремонта телевизора
После долгих проб и экспериментов, к сожалению, устойчивого эффекта добиться не удалось. Курил долго интернет и форумы. Были сообщения об удачном восстановлении контакта утюгом или паяльной станцией и столько же сообщений о неудачном. Шлейф получается приклеен специальным , который только под прессовкой имеет низкое сопротивление, а без нее – высокое.
Нагретым паяльником с нажимом у меня не получилось восстановить контакт шлейфа с матрицей. К тому же, пока забавлялся со шлейфом, заметил, что контакт дешифратора матрицы со шлейфом стабильно стал ухудшаться.
После консилиума с коллегами, ввиду отсутствия возможностей найти где-либо новую матрицу, было принято решение отдавать телевизор без ремонта. Что ж, случается и такое.
На этом отчет о неудачной попытке ремонта ЖК-панели Samsung LE40A454C1 заканчиваю.
Мастер Пайки.
Дефекты строчной развертки телевизоров Samsung
Samsung CS-21K3S Plano не включается. Короткое в строчном транзисторе D5703. При замене повторный выход из строя строчника. Проверка обвязки строчника ничего не дала. Неисправной оказалась строчная отклоняющая система.
SAMSUNG CK 2185VR. Из-за того же конденсатора была следующая неисправность. Изображение, как при маленьком ускоряющем напряжении. Напряжение на ускоряющем выводе кинескопа не поднималось выше 240 вольт. После замены конденсатора 10nF-3кВт в цепи ускоряющего — напряжение возросло и изображение стало нормальное. SAMSUNG 3385 При включении питания непрерывно моргает красный светодиод — индикация неисправности. Анализ сигналов показал наличие импульсов запуска строчной развертки и неработающий выходной каскад. Причина — обрыв первичной обмотки межкаскадного строчного трансформатора. W1=400вит., W2= 45 вит. Обмотки мотать в одну сторону. Провод диаметром 0.15мм и 0.6мм соответственно.
SAMSUNG CK-5385ZR. Неисправность была такова, нет запуска при включении телевизора, индикатор загорается желтым и сразу же красным, а потом начинает мигать красным с периодичностью в пол секунды. Видимо когда-то через заднюю крышку попало немного воды и отгнили провода первичной обмотки ТМС (Т401). SAMSUNG CK5341ZR. Сдвинуто изображение по горизонтали. Регулятор H-SHIFT не влияет. Дефект: утечка конденсатора С404 2700pF.
SAMSUNG UE40D5000PW. Ремонт, схема, сервис
SAMSUNG LEDModel: UE40D5000PW
Chassis/Version: CK04 // h412
Panel: LD400BGC-C2 DD01 // LTJ400HM07-L
LED backlight: 2011SVS40-FHD-RIGHT, 2011SVS40-FHD-LEFT, JVG4-400SMA-R1(10,11,09)
T-CON: V460HJ1-C01 CMO
LED driver (backlight): integrated into PSU
PWM LED driver: SLC3011M
MOSFET LED driver: NDF05N50ZG
Power Supply (PSU): BN44-00422B // BN44-00473B (1HS01G, 3BR1765JZ, 5591, K12A60D)
PWM Power: FA5591N (PFC), ICE3BR1765JZ (Standby), ICE1HS01G (PWM resonant)
MOSFET Power: TK8A50D (PFC x 2), NDF05N50ZG
MainBoard: BN41-01661B BN94-05223D PD02 // BN41-01747A
IC MainBoard: K4B1G1646G-BCH9, WT61P805, NTP-7411S
Тuner: BN40-00196A
Control: Remote: AA59-00465A, IR: D550-12C BN41-01600C
Общие рекомендации по ремонту TV LCD LED
Диагностику неисправности и ремонт SAMSUNG UE40D5000PW, как и других электронных устройств, рекомендуется начинать с внешнего осмотра внешних и внутренних элементов.
По некоторым внешним признакам изменения состояния некоторых элементов иногда появляется возможность сделать предположения о характере дефекта, а так же определить дальнейшее направление поиска неисправности.
О причинах возникновения дефекта и возможных последствиях опытные ремонтники часто догадываются, например, по кольцевым трещинам в пайках выводов элементов, а так же по вздувшимся конденсаторам или сгоревшим до угольной пыли резисторам и другим внешним косвенным признакам.
Если телевизор UE40D5000PW не включается, не издаёт никаких звуков при включении, а так же на передней панели не горят и не моргают никакие индикаторы, — есть большая вероятность неисправности в модуле питания. В некоторых случаях может быть неисправен только стабилизатор или преобразователь питания процессора управления, что характерно для некоторых моделей SAMSUNG.
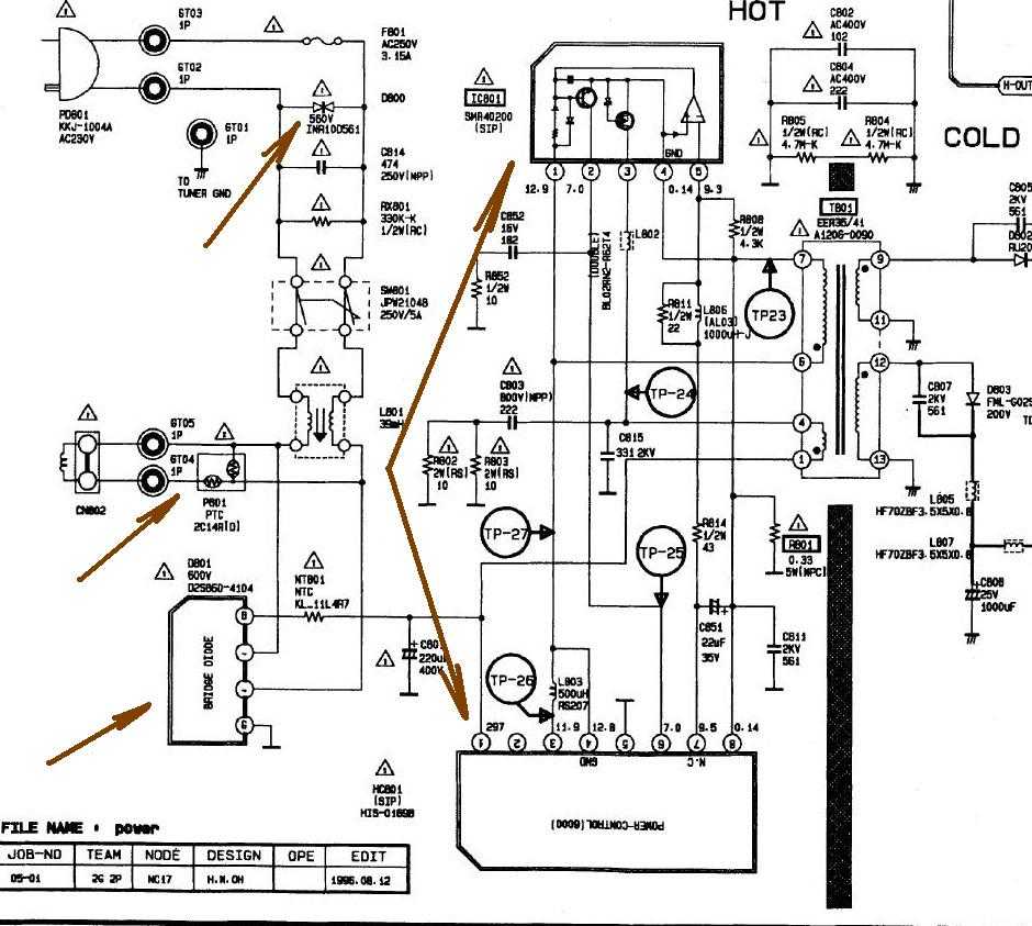
При отсутствии вспухших конденсаторов фильтра вторичных выпрямителей, диагностику блока питания следует начинать с проверки предохранителя и, при его обрыве, необходимо в первую очередь проверить все силовые полупроводниковые элементы первичной цепи — диоды и транзисторы на вероятность лавинного или теплового пробоя.Если обнаружен пробой силового ключа, следует помнить, что в импульсном источнике питания (ИИП) он не выходит из строя сам по себе без причин, которые следует искать, проверяя другие элементы первичной цепи, — электролитические конденсаторы, ШИМ-контроллер , который проверить можно только заменой, а так же другие полупроводниковые элементы (диоды, транзисторы, стабилитроны).
Если при включении SAMSUNG UE40D5000PW нет изображения, либо оно появится на секунду и пропадает, но звук есть, скорее всего неисправность в цепи светодиодов подсветки панели LD400BGC-C2 DD01, либо в преобразователе их питания. Необходимо проверить в общем блоке питания электролитические конденсаторы фильтра вторичных выпрямителей.Для проверки исправности светодиодов, а так же контактных соединений в цепи линеек необходима разборка панели.Обрыв в линейках светодиодов, соединённых последовательно, обнаружить с помощью мультиметра или тестера невозможно без разборки панели. Чтобы открыть все переходы, необходимо несколько десятков вольт, и лучше всего для таких целей использовать источник тока.
Если неисправна материнская плата BN94-05223D PD02, в первую очередь необходимо проверить все линейные стабилизаторы или преобразователи питания её чипов, а так же, при необходимости, обновить программное обеспечение ПО. Иногда проверить исправность MB можно только заменой.
Перед заменой тюнера BN40-00196A, если нет настройки на каналы, прежде необходимо проверить напряжения питания на его выводах, в том числе питания варикапов (30-33V).
Ещё раз напоминаем пользователям телевизора: не следует делать попытки самостоятельного ремонта, не имея соответствующих знаний, опыта и необходимой квалификации! Доверяйте ремонт только профессионалам с достаточным опытом работы в сфере ремонта электронной техники.
SAMSUNG UE32D4003BW. Ремонт, схема, сервис
SAMSUNG LEDModel: UE32D4003BW UE32D4003
Chassis/Version: Ver. CN01
Panel: LTJ320AP02-L // LD320AGC-C4
LED backlight: 2011SVS32, 4K_V1_1CH_PV_LEFT58_1116
LED driver (backlight): integrated into PSU; 203V 165mA
PWM LED driver: SEM5025
MOSFET LED driver: MDD5N40RH
Power Supply (PSU): BN44-00472A PD32G0S_BSM
PWM Power: STR-W6053S
MainBoard: BN41-01702A
IC MainBoard: SEMS20, 24C256, NTP-7411S
Тuner: DTM-8B/125S BN40-00220A
Control: Remote: AA59-00496A, IR: BN41-01600A, D550-12C // BN96-17614U (BN41-01695C).
Общие рекомендации по ремонту TV LCD LED
SAMSUNG UE32D4003BW, как и другие телевизоры, целесообразно начать ремонтировать с осмотра внешних и внутренних элементов и модулей.
Видимые повреждения элементов иногда могут обозначить направления поиска дефекта ещё до начала проведения необходимых измерений.
Элементы с видимыми повреждениями, например, вздувшиеся после кипения электролита конденсаторы, обуглившиеся резисторы в определённых узлах схемы, а так же кольцевые трещины в пайках помогут мастеру догадаться о причинах и возможных последствиях произошедшей неисправности.
Если телевизор UE32D4003BW не включается, не издаёт никаких звуков при включении, а так же на передней панели не горят и не моргают никакие индикаторы, — есть большая вероятность неисправности в модуле питания. В некоторых случаях может быть неисправность только в питании дежурного режима.
В первую очередь необходимо заменить вспухшие конденсаторы фильтров выпрямителей, если они есть. Если в блоке питания оборван сетевой предохранитель, в большинстве случаев обнаруживается пробой силового ключа (ключей) , который может быть интегрирован с ШИМ-контроллером, либо может использоваться отдельный полевой транзистор. Так же следует проверить диоды выпрямительного моста и электролитический конденсатор фильтра сетевого выпрямителя.Ключи Mos-Fet, используемые в импульсных источниках питания (ИИП), крайне редко выходят из строя без причин, которые необходимо искать, проверяя другие элементы схемы. Часто пробой вызван неисправностями электролитических конденсаторов или полупроводниковых элементов в первичной цепи, либо обрывом резисторов в цепях стабилизации. Микросхема ШИМ-контроллера STRW6053S так же может быть причиной пробоя силового ключа преобразователя.
Если у SAMSUNG UE32D4003BW нет изображения, но есть звук и телевизор управляется с пульта, вероятна неисправность в цепях подсветки панели LTJ320AP02-L. Могут быть неисправны светодиоды или преобразователь питания — LED-драйвер. Часто в таких случаях, при включении телевизора, появляется изображение и сразу пропадает. Необходимо в первую очередь убедиться в исправности электролитических конденсаторов фильтра выпрямителя, питающего LED-драйвер, и проверить светодиоды LED, подключив заведомо исправные для диагностики.Нередко при отсутствии подсветки требуется разборка панели. Необходимо проверить исправность переходов светодиодов, а так же надёжность контактных соединений в линейках и разъёмах.Чтобы выявить обрыв в линейках светодиодов без разборки панели потребуется источник тока. Открыть переходы, соединённые последовательно, простым мультиметром невозможно, необходимо напряжения в несколько десятков вольт.
Материнская плата BN41-01702 A подлежит проверке в случае, если нет реакции на пульт и функциональные кнопки, индикатор дежурного режима моргает или горит постоянно. В таких случаях, если исправны преобразователи или стабилизаторы питания микросхем, возможно, необходимо обновление программного обеспечения.
Перед заменой тюнера DTM-8B/125S BN40-00220A, если нет настройки на каналы, прежде необходимо проверить ПО и напряжения питания на его выводах.
Ещё раз напоминаем пользователям! Попытки самостоятельного ремонта телевизора SAMSUNG UE32D4003BW без соответствующей квалификации и опыта могут привести к его полной неремонтопригодности!
Как выявить причину неисправности
Поиск проблемы неработоспособности стоит начинать снаружи, а заканчивать внутри самого устройства:
- Первым делом проверьте розетки и кабель питания. Ищем перегибы и потертости.
- Осмотреть корпус на предмет механических повреждений, образовавшихся в результате падения или других форс-мажоров.
- Осматриваем ЖК матрицу, нет ли характерной «паутинки» разбитого стекла.
- Принюхиваемся – не пахнет ли паленым.
- Для тех кто держит смело отвертку в руках – вскройте заднюю крышку телевизора Samsung и визуально осмотрите платы, нет ли механических или температурных повреждений микросхем.
- Плохо и долго (или не с первого раза) включаются каналы – скорей всего виновата операционная система. На современные аппараты устанавливается более простая и функциональная ОС Tizen, но и она не лишена недостатков.
Детальную диагностику лучше всего поручить специалистам, которые по своему опыту знают, что такое материнская плата, стабилизатор напряжения, модуль развёртки и ТВ-процессор.
Новый аппарат из магазина вряд ли окажется неисправным. Поэтому перед его использованием будет полезным ознакомиться с содержанием краткого руководства и выполнить подключение в соответствии с данными указаниями.
SAMSUNG UE39EH5003. Ремонт, схема, сервис
SAMSUNG LEDModel: UE39EH5003 UE39EH5003W
Chassis/Version: Версия: AD02
Panel: DE390BGA-C1
LED backlight: 39-3535LED-60EA-R — D1GE-390SCB-R1
T-CON: T500HVN01.7 Ctrl BD
LED driver (backlight): integrated into PSU; 210V 260mA
Power Supply (PSU): BN44-00496B PD40AFV_CDY
PWM Power: 2S110 (SSC 2S110)
MOSFET Power: SLC1012C
MainBoard: BN41-01897A BN94-05971Z
IC MainBoard: NAND: K9F1G08U0D, RAM: K4B1G1646D-HCH9,SPI Flash: 25Q40, Eeprom: 24C256, Sound: NTP7412S
Тuner: DTTX-51B/C3 BN40-00231B
Control: Remote: AA59-00602A, IR: BN96-24259C BN41-01901A
Общие рекомендации по ремонту TV LCD LED
Иногда телевизор SAMSUNG UE39EH5003 просто не включается. Не горят и не моргают никакие контрольные лампочки на передней панели, телевизор не реагирует на пульт и не издаёт никаких звуков и любых признаков жизни при включении. Наиболее вероятная причина неисправности — выход из строя общего модуля питания PD40AFV_CDY . В случае, если он исправен, необходимо проверить элементы питания дежурного режима на плате Main Board. После проверки сетевого предохранителя и силовых элементов первичной цепи импульсного преобразователя PSU, следует так же проверить отсутствие короткого замыкания в нагрузках вторичных выпрямителей.
Пробой силового ключа в преобразователях чаще бывает спровоцирован другими элементами, например, в цепях стабилизации или управления этим ключом, а так же демпферными элементами в его стоке и обмотке трансформатора.
Если при включении SAMSUNG UE39EH5003 нет изображения, либо оно появится и сразу пропадает, но звук есть, скорее всего неисправность в цепи светодиодов подсветки панели DE390BGA-C1, либо в преобразователе их питания — LED-драйвере, который выполнен по схеме обратноходового повышающего (Step-Up) преобразователя напряжения со стабилизацие тока в нагрузке.Неисправность подсветки часто возникает по причине обрыва в цепи линеек светодиодов. Иногда требуется разборка панели и проверка самих светодиодов, паек их выводов, а так же надёжность соединений в разъёмах и паек выводов разъёмов.Для проверки линеек светодиодов (стрингов) на предмет обрыва без разборки панели поможет, например, источник тока. Открыть последовательно соединённые PN-переходы простым мультиметром невозможно.
Ремонт материнской платы BN41-01897A необходимо начинать с диагностики и проверки всех линейных стабилизаторов и преобразователей питания её микросхем. Иногда может потребоваться обновление программного обеспечения (ПО) — перепрошивка FLASH или EEPROM.В отдельных случаях для ремонта платы MB (SSB) может потребоваться замена чипов — NAND: K9F1G08U0D, RAM: K4B1G1646D-HCH9,SPI Flash: 25Q40, Eeprom: 24C256, Sound: NTP7412S на новые или заведомо исправные. В случаях применения технологий BGA, дефекты обычно локализуются методом прогрева. Неисправность тюнера DTTX-51B/C3 BN40-00231B устанавливается после проверки ПО и всех питающих напряжений на его выводах. Для убедительности можно посмотреть обмен данными тюнера с процессором с помощью осцилографа.
Внимание! Пользователям и владельцам телевизоров UE39EH5003, не имеющим соответствующей квалификации, знаний и опыта, категорически не рекомендуем попытки самостоятельного ремонта во избежаниe негативных последствий, которые могут привести к полной неремонтопригодности устройства
SAMSUNG UE40D5003. Ремонт, схема, сервис
SAMSUNG LEDModel: UE40D5003 UE40D5003BW
Chassis/Version: U57A / Ver: CN01
Panel: LD400BGC-C2
LED backlight: 2011SVS40-FHD-5K6K- LEFT/RIGHT JVG4-400SMB-R1(10,11,09)
T-CON: V460HJ1-C01
LED driver (backlight): integrated into PSU
PWM LED driver: SEM5025
MOSFET LED driver: MDD5N40RH
Power Supply (PSU): BN44-00473A — PSLF121A03S — PD46G0_BSM
PWM Power: SPC7011F, FSFR1700XSL, SQD2011K
MOSFET Power: MDF11N60TH
MainBoard: BN41-01702A BN94-04940F
IC MainBoard: K4B1G1646G-BCH9, AT24C256C, 25X40BVSIG, Flash NAND: KFG1GN6W2D (BGA), LVC244A, DRV612, NTP-7411S
Тuner: BN40-00220A
Control: AA59-00496A, IR: BN96-16729P (BN41-01600A)
Возможные проявления дефектов
— Телевизор SAMSUNG UE40D5003 не включается, не реагирует на пульт и кнопки панели управления, индикаторы не горят и не мигают.
Часто в таких случаях неисправным оказывается модуль питания BN44-00473A.
Необходимо замерить вторичные выходные напряжения питания, а в случае их отсутствия проверить исправность силовых ключей (MDF11N60TH) преобразователей и выпрямительных диодов на наличие короткого замыкания.При пробоях во вторичных цепях, преобразователь может работать в режиме короткого замыкания, а при КЗ в элементах первичной цепи обычно обрывается сетевой предохранитель.Пробой ключей Mos-Fet, используемых в импульсных источниках, часто бывает вызван неисправностями других элементов, например, питающих, частотозадающих, демпферных… а так же элементов Отрицательной Обратной Связи стабилизации. Микросхема ШИМ (PWM) SPC7011F, FSFR1700XSL, SQD2011K так же может быть причиной неисправности силового ключа преобразователя и проверяется заменой.
— Нет изображения, звук есть, на пульт реагирует. Либо изображение может появиться на секунду при включении и сразу пропадает.
Неисправность обычно в этих случаях наиболее вероятна в узлах подсветки матрицы дисплея.
Причина может быть как в питании светодиодов, в их исправности (пробой или обрыв), а так же в нарушении контактных соединений светодиодных планок.Без специального источника тока проверить линейку последовательно соединённых светодиодов невозможно, а пользоваться для этой цели любыми источниками напряжения свыше 12в для них небезопасно. Тогда остаётся лишь вскрыть панель и проверить каждый светодиод отдельно. Обычно китайские мультиметры с питанием 9V слегка засвечивают один 3-вольтовый LED, если подключить к нему щупы в прямом направлении, красный щуп — к аноду, чёрный — к катоду. У сдвоенных 6-вольтовых показателем исправности LED-а может служить PN-переход его аварийного стабилитрона. В случае неисправности LED-а его стабилитрон будет либо оборван, либо пробит в К/З.
— Телевизор не выходит в рабочий режим, на пульт дистанционного управления не реагирует. Индикатор на передней панели светит постоянно, либо моргает.
Ремонт или диагностика материнской платы BN41-01702A следует начать с проверки стабилизаторов и преобразователей питания, необходимых для питания микросхем и матрицы. При необходимости, следует обновить или заменить ПО (программное обеспечение).
В случаях сложных ремонтов MB (SSB) и при наличии необходимых навыков и оборудования иногда может возникнуть необходимость замены её чипов K4B1G1646G-BCH9, AT24C256C, 25X40BVSIG, Flash NAND: KFG1GN6W2D (BGA), LVC244A, DRV612, NTP-7411S и других возможных неисправных компонентов. Неисправности, связанные с применением технологий пайки BGA обычно легко диагностируются методом прогрева.
Если нет приёма телевизионных каналов, но телевизор исправно работает от внешних устройств, в первую очередь необходимо проверить напряжение питания тюнера BN40-00220A и обновить ПО. Импульсы обмена данными по шине I2C необходимо контролировать с помощью осциллографа.
Внимание владельцам телевизоров! Попытки самостоятельного ремонта SAMSUNG UE40D5003 не рекомендованы производителем и могут привести к серьёзным негативным последствиям!
SAMSUNG LE37B530P7. Ремонт, схема, сервис
SAMSUNG Model: LE37B530P7 LE37B530P7W
Chassis/Version: N65A
Panel: AX094F040E // T370HW02 V.C
T-CON: MDK 336V-0N TCON103F , 4S128 , BUF12800 , BD8161 // 37T04-COG
Inverter (backlight): integrated into PSU
PWM Inverter: LX6503IDW
MOSFET Inverter: STF5N52U
Trans Inverter: 3324340033EF
Power Supply (PSU): BN44-00301A Rev1.1 // BN44-00262A
PWM Power: FAN7530 (PFC), ICE3BR0665J
MOSFET Power: STF13NM60N (PFC)
MainBoard: BN41-01165A BN94-02519Y // BN41-01165B
IC MainBoard: CPU: SEMS12, DRAM: K4T511630G-HCE7, SPI Flash: 25L6405DMI-12G , NTP3200 , DRV603
Тuner: DNOQ403Sh251A(S)
Control: BN59-00863A
Общие рекомендации по ремонту TV LCD
Ремонт телевизора SAMSUNG с шасси N65A следует начинать с диагностики неисправности, которая предполагает внимательный осмотр внешних и внутренних элементов устройства.
Видимые повреждения элементов иногда могут обозначить направления поиска дефекта ещё до начала проведения необходимых измерений.
Кольцевые трещины в пайках выводов греющихся элементов, вспухшие электролитические конденсаторы, обуглившийся слой краски на резисторах — всё это для ремонтника может являться существенной подсказкой в предположениях о причинах и следствиях неисправности.
Иногда телевизор SAMSUNG LE37B530P7 просто не включается. Не горят и не моргают никакие контрольные лампочки на передней панели, телевизор не реагирует на пульт и не издаёт никаких звуков и любых признаков жизни при включении. Наиболее вероятная причина неисправности — выход из строя общего модуля питания BN44-00301A Rev1.1. В случае, если он исправен, необходимо проверить элементы питания процессора на плате SSB (Main Board).
В первую очередь необходимо заменить вспухшие конденсаторы фильтров выпрямителей, если они есть. Если в блоке питания оборван сетевой предохранитель, в большинстве случаев обнаруживается пробой силового ключа (ключей) , который может быть интегрирован с ШИМ-контроллером, либо может использоваться отдельный полевой транзистор. Так же следует проверить диоды выпрямительного моста и электролитический конденсатор фильтра сетевого выпрямителя.Как правило, ключи в импульсных источниках питания (ИИП) достаточно надёжны и редко выходят из строя без причин, которые следует искать, проверяя другие компоненты схемы — электролитические конденсаторы, резисторы и полупроводниковые элементы первичной цепи. Микросхема ШИМ проверяется заменой её на заведомо исправную.
В тех случаях, когда у телевизора SAMSUNG LE37B530P7 пропало изображение, а звук есть и все остальные функции работоспособны, есть вероятность неисправности инвертора (преобразователя для питания ламп подсветки). При включении телевизора, изображение может ненадолго появиться и сразу же пропасть. Необходимо учитывать, что с такими проявлениями выходят из строя и сами лампы, неисправность которых выявить можно заменой, подключив для диагностики в разъёмы заведомо исправные и подходящие по мощности.
Следует помнить, при отключении защиты в целях диагностики неисправности, всегда появляется риск выхода из строя силовых элементов инвертора. После ремонта необходимо обязательно восстановить все штатные цепи защиты преобразователя.
На материнской плате BN41-01165A BN94-02519Y, в случае неисправности, следует в первую очередь проверить работоспособность всех стабилизаторов или преобразователей питания микросхем и, при необходимости, обновить ПО (программное обеспечение).
В некоторых случаях требуют проверки или замены (если это необходимо) элементы платы MB (SSB) — CPU: SEMS12, DRAM: K4T511630G-HCE7, SPI Flash: 25L6405DMI-12G , NTP3200 , DRV603. В случаях использования процессора BGA его неисправность обычно выявляется методом локального прогрева.
Владельцам и пользователям телевизора SAMSUNG LE37B530P7 необходимо помнить, что самостоятельный ремонт без специальных знаний, навыков и квалификации, может быть чреват негативными последствиями, которые могут привести к полной неремонтопригодности устройства!





























